首页 科技开发工具 娱乐游玩工具 热门工具   APP 登录/注册 联系/合作
   
 
隐藏在一大块闪电化石中的前所未见的“类水晶物质”可能是一种全新的矿物
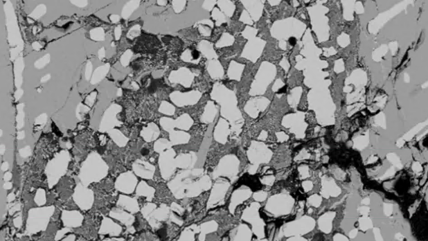
含有潜在新矿物的闪电化石或电辉石的特写镜头。

科学家们透露,一种潜在的全新矿物可能隐藏在佛罗里达州的一大块“闪电化石”中。“我们从未见过这种物质在地球上自然存在,”南佛罗里达大学的地球科学家马修帕塞克在一份声明中说。“类似的矿物可以在陨石和太空中找到,但我们从未在任何地方见过这种确切的材料。”

当闪电击中新里奇港附近的一棵树时,形成了化石闪电块或电辉石。当强大的闪电通过地面放电时,闪电石就会形成,它会将附近的土壤、沙子、岩石和有机碎片熔化并融合成一个看起来像金属的奇异块。

New Port Richey 树的所有者将电辉石卖给了 Pasek,Pasek 研究闪电引发的高能化学反应。在打开长约 2.8 英寸(7 厘米)、宽约 0.8 英寸(2 厘米)的岩石块后,Pasek 和其他研究人员在电辉石中发现了一种“彩色的晶体状物质”。随后的分析表明,这种神秘物质是一种以前不为人知的物质,主要由磷酸钙(CaHPO3)组成。该团队强烈怀疑这种新材料是一种全新的矿物类型,但这需要时间才能得到其他科学家的证实。
新矿物的电子显微镜图像。

在他们的分析过程中,研究人员还尝试在实验室中重建这种矿物,但均以失败告终。科学家们认为,他们未能重新创造出这种新材料,因为它在难以预测和复制的精确条件下迅速形成:每次他们靠近时,这种化合物都会开始分解成其他东西,因为它被加热的时间太长了。

研究人员希望这种形式的磷酸钙能尽快被确认为一种新矿物,届时它将被正式命名。他们还认为,可以通过类似的途径创造出其他全新的矿物类型,并希望检查更多的电闪石来检验这一理论。
最新文章:
所有文章资讯、展示的文字、图片、数字、视频、音频、其它素材等内容均来自网络媒体,仅供学习参考。内容的知识产权归属原始著作权人所有。如有侵犯您的版权,请联系我们并提供相应证明,本平台将仔细验证并删除相关内容。
工具综合排行榜
TOP 1
双计算器 双计算器
同时用两个计算器,用于价格对比、数字分别计算等
TOP 2
推算几天后的日期 推算几天后的日期
推算从某天开始,增加或减少几天后的日期
TOP 3
随机密码生成 随机密码生成
随机生成安全复杂的密码,自由设置密码长度及复杂度
TOP 4
推算孩子的血型 推算孩子的血型
根据父母的血型推测子女的血型
TOP 5
日期转中文大写 日期转中文大写
把数字日期转成中文大写,是财务或商务合同常用的工具
热门内容:       双计算器       推算孩子的血型       随机密码生成       日期转中文大写       推算几天后的日期       达轻每日一景       高校分数线       高校查询       周公解梦大全
首页 科技开发工具大全
娱乐游玩工具大全
登录/注册
联系我们
  用户咨询/建议
kf@ss3316.com


商务合作/推广
hz@ss3316.com

达轻工具 APP

访问手机版网站
使用本平台必读并同意:任何内容仅供谨慎参考,不构成建议,不保证正确,平台不承担任何责任,同意用户协议隐私政策   
BaiduTrust安全认证签章
© 达轻科技 版权所有 增值电信业务经营许可证 ICP备 沪B2-20050023-3